江苏开维喜阀门有限公司

严苛工况阀门技术服务与制造提供商

Integrated Supplier of Technical Service Manufacture for Severe Service Valve

服务热线:
025-86661988
欢迎访问 江苏开维喜阀门有限公司 网站!
Jiangsu KVC Valve Co., Ltd.
 
新闻资讯

新闻资讯

副标题

电动调节蝶阀
分享到:

电动调节蝶阀

产品详情

电动调节蝶阀概述:

电动调节蝶阀又称比例型电动蝶阀,即阀的开度与控*流体成比例,或者叫百分比,是由智能型电动执行器及蝶阀阀体组成,根据输入输出4-20mA信号控*,主要适用于各种工业自动化管道流量、压力、温度等进行调节。电动调节蝶阀连接方式主要有法兰式和对夹式,阀体流通能力大,对常温、干净介质,可选用阀板加软密封(橡胶圈、四氟圈)来减少泄漏(可达零泄露),高温高压工况可选用三偏心硬密封阀体。
电动调节蝶阀图片
电动法兰调节蝶阀                          电动对夹式调节蝶阀
电动调节蝶阀特点:
1、设计新颖、合理、结构独特,重量轻,启闭迅速。
2、调节型电动蝶阀操力矩小,操作方便,省力灵巧。
3、可采用不同密封座,满足低、中、高不同压力,以及不同介质温度或腐蚀性介质等。
4、执行器配有保护装置有双重限位、过热保护、过载保护。
5、智能数控,内置模块采用**计算机单片及智能控*软件直接接收计算机或工业仪表等设备输出的标准信号,实现对阀门开度的智能控*和*确定位。
电动调节蝶阀标准规范:
设计标准【GB/T12238-1989 JB/T8692-1998】
法兰连接尺寸【GB/T9115.1-2000】
结构长度【h:GB/T12221-1989】
压力试验【GB/T13927-1992;JB/T9092-1999】
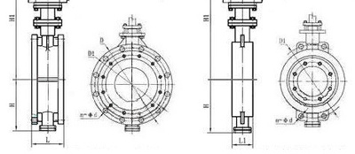
电动调节蝶阀结构
   电动法兰调节蝶阀结构图           电动对夹式调节蝶阀结构图
电动调节蝶阀技术参数:

公称通径DN50~DN1200(mm)

公称压力PN0.6、1.6、2.5、4.0MPa

连接形式对夹式、法兰式

操作方式电动控*(电源驱动)

密封形式金属硬密封,软密封(可达零泄露)

电源电压AC220V、AC380V(其他定*DC24等)50/60Hz

信号反馈有源信号、S无源信号

手动功能可根据需要装配手动开阀、关阀功能

适用温度
-30℃~450℃


动作时间15秒/30秒/60秒

可调范围50:1

应用场所蒸汽、水、气体、油品及高温或含杂质工况
控*形式智能调节式(输入输出4-20mA信号控*)

产品订购须知:

  1.用户已确定阀门类型和型号(尤其是非标准型号)时,用户应正确说明其型号的含义和要求。

  2.用户应根据样本所列产品型号进行订货,如对产品项目有特别要求,请在订单中说明:

       1)结构长度2)法兰标准3)阀门的结构形式:如通道全通径或缩径、体盖连接形式4)阀门内件及对材料的其他要求5)压力试验、检验标准、标识及其他要求

  3、当阀门使用的场合非常重要或环境比较复杂时,请您尽量提供设计图纸和详细参数,由我们的专家为您审核把关

  4.本公司可以根据用户的特定要求配置电动装置,气动驱动装置,涡轮装置。

  5.本公司生产的各类阀门可以满足订单规定的各项要求,产品出厂前均逐一按要求的相关标准进行严格的检验和试验。

    声明:本文中所有文字、数据、图片均只适用于参考,性能参数、结构尺寸参数、价格等详情,请联系我们,联系电话13505191988。


联系电话:135-05191988  电子邮箱:jskvc@vip.qq.com
固定电话:025-8666-1988   传真:025-8555-1988
联系地址:南京市玄武区龙蟠路9号
website qrcode

扫描查看手机版网站

在线客服
 
 
 联系方式
联系人:魏经理
联系电话:135-0519-1988
固  话:025-8666-1988
传  真:025-8555-1988
电子邮箱:jskvc@vip.qq.com
联系地址:南京市玄武区龙蟠路9号